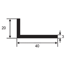
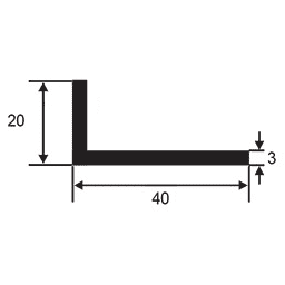
L 40203

STANDARD 50 METRE COILS

Made in Australia

Product Description

Get your free personalised industrial equipment quote today!

Get A Quote